SupportCast - Supporting Control by Inspection of Surface Quality and Segregation on Cast Products through integration of Novel Online Monitoring and Advanced Modelling into an Accessible Cloud Access Platform

Ausgangssituation:
Eine gute Oberflächenqualität und ein optimales Entmischungsverhalten im gegossenen Produkt sind zentrale Themen beim Stranggießen. Die Oberflächenqualität wird sowohl durch die Erstarrung im Meniskus als auch durch die Nachbehandlung in der Sekundärkühlzone beeinflusst, während die Entmischung hauptsächlich durch die Abkühlgeschwindigkeit beeinflusst wird. Daher ist eine adäquate Steuerung der Abkühlraten in der Gießanlage in Abhängigkeit von Online-Messungen und Prognosewerkzeugen für die Stahlhersteller von besonderem Interesse. Automatische Oberflächenüberwachungssysteme sind bei bestehenden Gießanlagen nicht eingebaut; die Oberflächenqualität muss durch visuelle Inspektion mit Hilfe von Messschiebern beurteilt werden. Somit sind keine Online-Änderungen möglich, da die Daten über die Oberflächenqualität erst lange Zeit nach dem Gießen erfasst werden, sodass die Bediener nur Abhilfemaßnahmen, aber keine vorbeugende Behandlung von Mängeln vornehmen können.
Projektziele:
- Entwicklung und industrielle Umsetzung neuartiger Überwachungstechniken zur Bereitstellung von früheren/online Prozess- und Qualitätsinformationen für Bediener und Prozessingenieure.
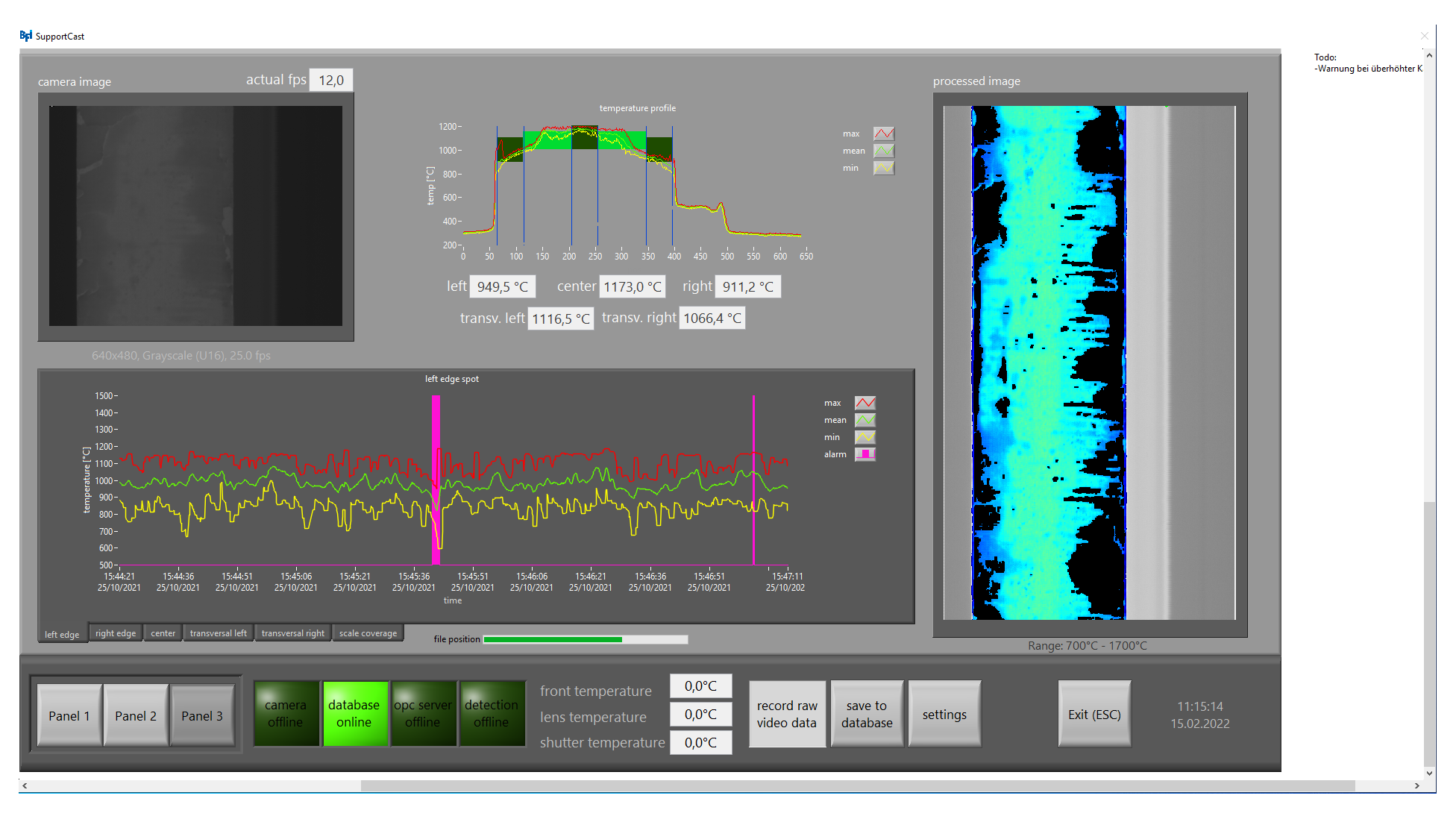
- Identifizierung von Defekten in kritischen Situationen beim Gießen von Knüppeln aus mikrolegiertem/kohlenstoffarmem Stahl und Brammen aus rostfreiem Stahl.
- Fortschrittlichster digitaler Zwilling zur Modellierung des Stranggussverhaltens und Verwendung als Prüfstand zur Entwicklung von Optimierungsrichtlinien.
Innovative Ansätze:
Die folgenden innovativen Aspekte wurden behandelt:
- Anwendung neu entwickelter Verfahren zur Messung der Oberflächenqualität an industriellen Stranggussanlagen zur Erstellung einer einzigartigen Datenbank mit Daten zur Oberflächenqualität und den entsprechenden Daten zum Gießprozess.
- Verbesserung der Auflösung und Genauigkeit von Messungen der Strangoberflächentemperatur im Strang durch eine innovative Kombination von Wärmebildkamera, aktiver adaptiver Optik und gleichzeitiger Bestimmung des Transmissionskoeffizienten des optischen Weges.
- Technologietransfer und Entwicklung einer fortschrittlichen Topographie-Charakterisierungstechnik für Messungen an Produkten im Gusszustand mit dem Potenzial, direkt in der Gießmaschine installiert zu werden, um Schwingungsmarken und Risse in heißen Proben mit einer Genauigkeit von bis zu 50 μm zu messen.
- Anwendung des linearen EMS und Korrelation der Abkühlungsraten mit der Entmischung und den Gießbedingungen für optimale Oberflächen- und Innenqualität.
- Innovative Modellierungstechnik zur Vorhersage des Wärmeübergangs und der Strangschalenbildung in Abhängigkeit von der Schlackeninfiltration, um detailliertere Kühlratenvorhersagen anstelle des üblichen Ansatzes der Anpassung von Thermoelementmessungen zu ermöglichen, die zu einer Vorkonditionierung der Wärmeströme führen.
Nutzen für die Industrie:
Die Vorteile für die Industrie fokussierten sich auf die Produktivität, die Kostensenkung, die Verringerung der Umweltbelastung und die Verbesserung der Arbeitsbedingungen des Personals, das die Qualitätskontrolle der gegossenen Produkte durchführt. All dies steht in direktem Zusammenhang mit den neuen Möglichkeiten zur Überwachung und Modellierung des CC-Prozesses, um die Gießbedingungen zu optimieren und fundiertere Entscheidungen zur Verbesserung der Produktqualität zu treffen, indem Fehler reduziert oder sogar vermieden werden. Die Entwicklung neuer Sensoren und Modellierungstechniken verschafft den europäischen Herstellern und Zulieferern einen strategischen Vorteil und verbessert das interne Know-how.
partners
Funding reference
Your contact person

26 Dr.-Ing. Birgit Palm
+49 211 98492-293
birgit.palm_at_bfi.de




